QuickChange Modules
QC022XS C
QuickChange built-in module with centering function
Built-in diameter: ø22 mm
Length: 34,5 mm
Clamping force: 235 until 575 N
Pneumatic opening pressure: 6 to 14 bar
The QuickChange module can be used with the clamping nipple (QS022) for various applications such as mold parts, stamping parts, tools, workpieces, jigs, measuring instruments. It saves changeover times by changing quickly and accurately. The module can be mounted using assembly key (QC022-AK).
Application
The QuickChange module can mounted in different ways (see installation drawing). The clamping module has a pneumatic opening and will remain open as long as air pressure remains in the system. When the air pressure is removed, the system will be mechanically closed and locked by a spring force.
| Type no. | Order no. | Clamping Force [N] | Holding Force [N] | Torque [Nm] | Operating Pressure [bar] | Repeatability [mm] | Max. Temperature [°C] | Weight [g] | |
|---|---|---|---|---|---|---|---|---|---|
| QC022XS-06 C | 0001.2230 | 235 | 6000 | 10 | 6 | <0,02 | 120 | 41 | CAD |
| QC022XS-08 C | 0001.2231 | 375 | 6000 | 10 | 8 | <0,02 | 120 | 41 | CAD |
| QC022XS-14 C | 0001.2232 | 575 | 6000 | 10 | 14 | <0,02 | 120 | 41 | CAD |
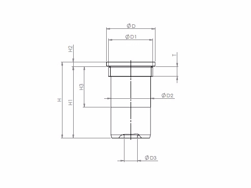
| Type no. | Order no. | øD | øD1 | øD2 | øD3 | H | H1 | H2 | H3 | T |
|---|---|---|---|---|---|---|---|---|---|---|
| QC022XS-06 C | 0001.2230 | 22 | M20x1.5 | 18 | 6 | 34,5 | 32,45 | 2,05 | 18,45 | 4,5 |
| QC022XS-08 C | 0001.2231 | 22 | M20x1.5 | 18 | 6 | 34,5 | 32,45 | 2,05 | 18,45 | 4,5 |
| QC022XS-14 C | 0001.2232 | 22 | M20x1.5 | 18 | 6 | 34,5 | 32,45 | 2,05 | 18,45 | 4,5 |



QS022-IF
QS022-EF
QS022-IC
QS022-EC
QS022-IAA
QS022-IAS
QS022-EAA
QS022-EAS
QC022-AK
QC06014